Càng xe nâng hay còn được gọi là
nĩa nâng,
dĩa nâng (fork). Đây là 1 bộ phận tiêu chuẩn được trang bị trên xe nâng để trực tiếp tiếp xúc và nâng hàng hóa. Việc lựa chọn càng nâng phù hợp hoặc chất lượng tốt sẽ đảm bảo an toàn trong quá trình nâng hàng, tránh hư hỏng hàng hóa.

Thông Số Kỹ Thuật Càng Xe Nâng.
Việc lựa chọn 1 thống số càng xe nâng phù hợp sẽ đảm bảo về an toàn trong quá trình sản xuất bên cạnh đó là sẽ giảm thiểu được tối đa về hư hỏng hay chi phí đầu tư thừa thãi. Kính mời quý khách hàng cùng Bình Minh tìm hiểu về các thông số trên càng nâng.
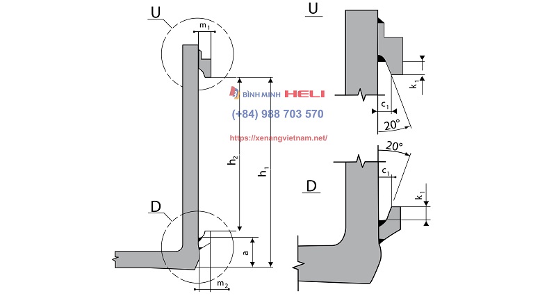
1. Cấu Tạo Càng Nâng - Nĩa Nâng.
Một chiếc càng nâng được cấu tạo bởi 6 phần chính:
- Lưỡi nâng: Đây là bộ phận trực tiếp chịu tải của hàng hóa và ảnh hưởng đến an toàn nâng hạ. Việc lựa chọn chiều dài nĩa nâng vô cùng quan trọng đến hiệu suất công việc và tránh hư hỏng hàng hóa.
- Mặt càng: là tiết diện tiếp xúc trực tiếp với hàng hóa đảm bảo tiết diện đủ lớn và cân đối tránh vướng mắc nâng hạ và tránh mất thăng bằng khi nâng hàng.
- Gót càng: phần uốn cong truyền lực chất lượng cao.
- Phần móc càng (Ngàm): trực tiếp gắn lên giá xe nâng để trang bị trên chiếc xe nâng.
- Thân càng: là bộ phận kết nối giữa càng nâng với móc càng để gá lên giá đỡ.
- Chốt càng: Giữ cố định càng không bị xê dịch, bị trượt tron quá trình nâng hạ.

2. Lưu Ý Khi Mua Càng Nâng - Nĩa Nâng.
Để lựa chọn được một càng nâng phù hợp với thiết bị nâng hàng và phù hợp với công việc quý khách hàng cần lưu ý đến các tiêu chuẩn sản xuất càng nâng của từng khu vực và từng hãng xe nâng.
Tiêu Chuẩn Càng Xe Nâng.
Đối với càng nâng của các hãng xe nâng được sẽ được sản xuất với 2 tiêu chuẩn
Class A và
Class B giành cho 2 khu vực là châu Á và Châu Âu. Tại thị trường Việt Nam thường dùng xe nâng Trung Quốc hoặc xe nâng Nhật Bãi nên tiêu chuẩn Class A phổ biến hơn tại thị trường Việt Nam.
| Nhóm |
Tải trọng nâng
(Kg) |
Loại nĩa nâng
Mounting Class |
Móc càng
c (mm) |
Khoảng cách ngàm
h1 (mm) |
| 1 |
0-999 |
A |
16,5 |
394 |
| B |
432 |
| 2 |
1000-2500 |
A |
16,5 |
470 |
| B |
546 |
| 3 |
2501-4999 |
A |
22 |
568 |
| B |
695 |
| 4 |
5000-8000 |
A |
26 |
743 |
| B |
870 |
| 5* |
8001-10999 |
A |
35 |
830 |
| B |
960 |

Lựa Chọn Càng nâng.
Việt Nam là 1 nước đang phát triển ở khu vực Đông Nam Á nên sẽ áp dụng theo tiêu chuẩn
Class A phổ biến cho các dòng xe nâng hàng tại Vệt Nam.
|
Loại Nĩa Nâng |
Tải Trọng
(Kg) |
Tâm Tải Trọng
(mm) |
Chiều Rộng Ngàm
(mm) |
 |
IA |
0-999 |
500 |
331 |
| IIA |
1000-2500 |
500 |
407 |
| IIIA |
2501-4999 |
500 |
508 |
| IVA |
5000-8000 |
600 |
635 |
| VA |
8001-10999 |
600 |
728 |

Càng xe nâng Class IIA.
Class
IIA là tiêu chuẩn được sử dụng cho xe nâng từ 1 đến 2.5 tấn.
- Chiều rộng (W): 100mm, 122mm, 150mm
- Độ dày (T): 35mm, 40mm, 45mm
- Chiều dài (L): 920mm, 1070mm, 1220mm, 1370mm, 1520mm, 1670mm, 1820mm, 1970mm, 2120mm, 2270mm, 2420mm
Càng xe nâng Class IIIA
Class
IIIA là tiêu chuẩn được dsử dụng cho xe nâng từ 3-5 tấn. Đối với các hãng xe nâng như
TCM,
CAT,
Heli,
Mitsubishi sẽ có 2 phân khúc 5 tấn loại tâm tải trọng 500 và tâm tải trọng 600 sẽ dùng class
IIIA và
IVA.
- Chiều rộng (W): 125mm, 150mm, 180mm, 200mm
- Độ dày (T): 40mm, 45mm, 50mm
- Chiều dài (L):1070mm, 1220mm, 1370mm, 1520mm, 1670mm, 1820mm, 1970mm, 2120mm, 2270mm, 2420mm
>> Xe nâng Dầu 3 Tấn HeliCàng xe nâng Class IVA.
Class
IVA là tiêu chuẩn dùng cho xe nâng từ 5-7 tấn có tâm tải trọng 600mm phục vụ nâng hàng hóa tải trọng năng.
- Chiều rộng (W): 150mm, 180mm, 200mm, 250mm
- Độ dày (T): 45mm, 50 mm, 60mm, 65mm
- Chiều dài (L):1070mm, 1220mm, 1370mm, 1520mm, 1670mm, 1820mm, 1970mm, 2120mm, 2270mm, 2420mm
Càng xe nâng Class VA.
Class VA là tiêu chuẩn dùng cho
càng xe nâng 8-10 tấn có tâm tải trọng 600mm. Loại này rất hiếm trên thị trường vì dòng này rất nặng đảm bảo chất lượng nâng nhưng thiếu tính linh hoạt trong quá trình hoạt động sản xuất. Nên thường khách hàng sẽ sử dụng loại nĩa nâng ứng dụng đặc biệt.
Special Application Forks - Càng ứng dụng đặc biệt sử dụng ống xy lanh thủy lực để dịch chuyển càng giúp việc thay đổi khoảng cách giữa 2 càng tiện lợi nhất và dễ dàng nhất.
- Chiều rộng (W): 170mm, 175mm
- Độ dày (T): 70mm, 80mm
- Chiều dài (L):1220mm, 1370mm, 1520mm, 1670mm, 1820mm, 1970mm, 2120mm, 2270mm, 2420mm

Thường thì trên các dòng sản phẩm tải trọng lớn từ 8 tấn, 10 tấn trở lên sẽ sử dụng 1 bộ càng kết hợp được cả dịch càng (Fork Positioner) và dịch giá (Side Shifter).
Đối với xe nâng tải trọng lớn từ 8-10 tấn thường được sử dụng trong các ngành công nghiệp nặng sản xuất thép, ống công bê tông, sản xuất gỗ nên càng nâng thường được lựa chọn phù hợp với kích thước của kiện hàng. Thường sẽ là 1920mm đối với ngành thép và 2420 đối vưới ngành sản xuất ống cống bê tông.

Mua Càng Xe Nâng.
Công Ty TNHH Xe Nâng Bình Minh là đại lý ủy quyền phân phối các phụ tùng chính hãng
Heli tại Việt Nam. Ngoài phân phối càng xe nâng hãng Heli chúng tôi còn phân phối các loại càng Zin của các hãng xe nâng khác của Nhật, Trung Quốc và các loại càng xe nâng điện đứng lái.
Ngoài ra để phục vụ cho công việc sản xuất và nâng hạ hàng hóa trong nhà máy sản xuất có nhiều loại hàng hóa và kích thước hàng hóa quý khách hàng có thể tham khảo thêm bộ
bao càng giả xe nâng để phục vụ được tối ưu công việc sản xuất.
Liên hệ ngay để nhận được tư vấn, báo giá bộ càng xe nâng thích hợp, giá rẻ và chất lượng uy tín.
Hotline: 0988 703 570