Bạc Đạn Linde 723760

Tình trạng: 2-3 Ngày
Liên hệ

Vòng bi, bạc đạn xe nâng Linde, Still

Mã: 723760

Đường kính trong: 40mm

Đường kính ngoài: 90.2mm

Chiều dày: 29mm

Trục dày: 23.8mm

Hotline 0911684111

Mua Bạc Đạn Linde 723760 - Vòng Bi Chính Hãng Linde, Still

Bạc Đạn Linde 723760 là một trong những dòng vòng bi chuyên dụng, được thiết kế để hoạt động ổn định trong môi trường tải trọng cao và điều kiện làm việc khắc nghiệt.

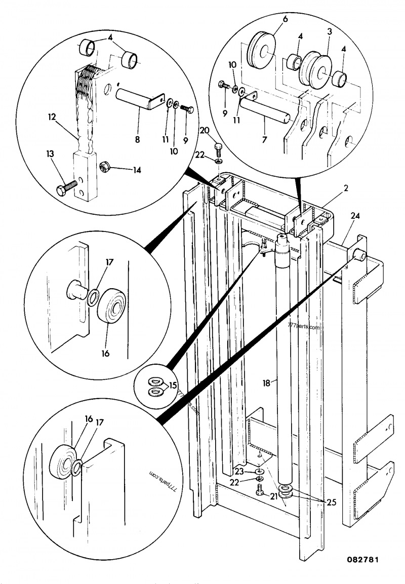
Vòng bi thường được sử dụng trên hệ thống khung càng xe nâng Linde, Still 2-3 tấn nhằm đảm bảo hệ thống khung nâng được hoạt động 1 cách ổn định, trơn tru và bền bỉ

Vong-bi-xe-nang-linde 

Địa chỉ mua vòng bi 723760 uy tín?

Phụ Tùng Xe Nâng Tân Tiến đơn vị chuyên cung cấp các loại vòng bi xe nâng tại Việt Nam. Chúng tôi chuyên cung cấp hàng chính hãng Vòng Bi WANDA có kích thước phù hợp với nhiều thương hiệu xe nâng phổ biến như:   HELI, Hangcha, EP, Noblelift, Toyota, Komatsu, Mitsubishi, Huyndai, Daewoo, Doosan, Hyster, Caterpillar,…

THIẾT BỊ VẬT TƯ TÂN TIẾN

Địa chỉ: Ngách 247B/9 Đ. Nguyễn Văn Linh, Phúc Đồng, Long Biên, Hà Nội, Việt Nam

Hotline 0911684111

Email: dothephuc232@gmail.com

Khi nào cần thay thế?

Vòng bi là chi tiết trực tiếp tham gia quá trình chịu tải của xe nâng cho nên sau một thời gian hoạt động nhất định sẽ bị mài mòn, nứt vỡ, hỏng hóc và cần được thay thế 

Vậy những dấu hiệu nhận biết hư hỏng là?

  • Khung nâng phát ra tiếng kêu lạ trong quá trình nâng hạ hàng hóa 
  • Vòng bi có hiện tượng bị nứt vỡ hoặc bị bung bi bên trong 
  • Gioăng phớt bị hở, có dấu hiệu xâm thực rõ rệt 

Các mã tương đương có thể thay thế 723760

Cùng dùng trên xe nâng Linde nhưng sẽ có một vài mã kích thước có thể thay thế như: 723759, 723761, 723762

  723759, MG308DDL-7 723609, MG308DDL-8 723761, MG308DDL-9 723762, MG308DDL-10
Đường kính trong 40 40 40 40
Đường kính ngoài 89.9 90.2 90.5 90.8
Chiều dày 29 29 29 29
0

0 đánh giá

Không có đánh giá nào cho sản phẩm này.